AXIALFLEX

Frecuencia propia 6 - 8 Hz.

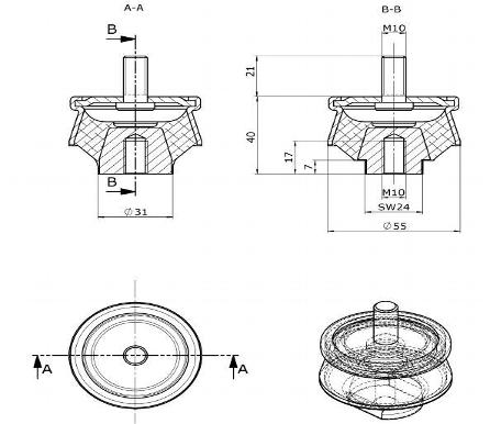
DESCRIPCIÓN

El Silemblock AXIALFLEX esta formado por un anillo de caucho adherido a dos armaduras metálicas troncocónicas.

  • Armadura interior con taladro roscado.
  • Armadura exterior cilíndrica.
  • Limitación del desplazamiento axial con tope progresivo.
  • Tornillo de fijación macho en la parte superior y hembra por el lado contrario.
  • Fabricado con caucho especial, resistente a los aceites y combustibles.

FUNCIONAMIENTO

  • Elasticidad axial superior a la elasticidad radial
  • El elastómero trabaja a cizallamiento encajonado limitando los desplazamientos tanto en dirección axial como radial con tope progresivo en caso de sobrecargas.
  • Fijación a ambos lados del silemblock.
  • Protección exterior metálica del caucho contra productos químicos, intemperie, luz solar.
  • Posibilidad de elegir 3 durezas, con diferentes cargas para máquinas con el centro de gravedad desplazado del centro geométrico. 

APLICACIONES

  • Todo tipo de maquinas embarcadas, compresores, armarios eléctricos, equipos electrónicos, ventiladores equipos de frío, bombas, etc...
  • Maquinas con esfuerzos dinámicos importantes que requieren silentblocks pero dado estabilidad al equipo. 
  • Máquinas con el centro de gravedad desplazado del centro geométrico.

 Referencia

 D

mm

H

mm 

 G

mm

 Carga Max.

Kg

Flecha

mm

Frecuencia

Axial Hz

Frecuencia

Radial Hz 

 941014-40

55 

40 

M10 

 40

3,6 

8,2 

 11,7

 941014-55

55 

40 

M10 

 70 

3,4 

8,5 

 12,6

 941014-65

55 

40 

M10 

 110

3,4

8,5 

13 

Para descargar la ficha técnica del Axialfex pinche en Catálogo de Silemblock Axialflex.

 Catálogo de Silemblock Axialflex. (109 KB)